
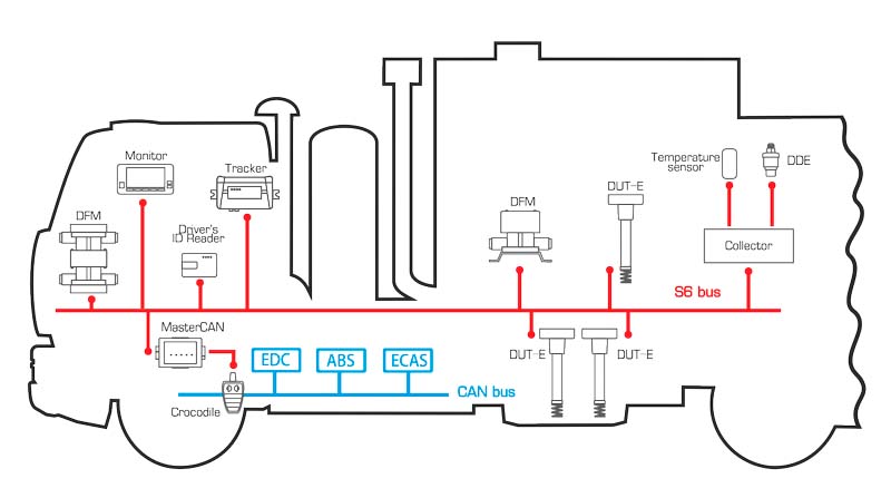
S6 Technology
Universal telematics interface for vehicle sensors
S6 Features
S6 is a SAE J1939 based system of cables and protocols designed to collect information from external sensors or peripheral devices in conjunction with data acquisition of one or
- For system integrators An ability to control a large number of vehicle parameters with one tracking device. Significant expansion of functionality. Modular and extensive onboard equipment. Comprehensive control of complex machines
- For circuit engineers An opportunity to leave CAN bus as a single interface in a tracking device
- For programmers Data-rich addition to the standard protocols. Easy integration of sensors and peripherals
- For installation specialists A separate system specifically designed for telematics applications. A single point power connection. Low risk of installation mistakes

Video, presentations and infographics
Video on S6 telematics interface




